Альтернативные Технологии Энергосбережения
Сохрани энергию
Онлайн-заявка
+ 7(4872)52-77-70
Раскрыть меню
Главная
О компании
Каталог продукции
Файлы
Прайс
Новости
Контакты
Поиск
Светодиодные светильники
Офисно-административные светильники
Уличные светильники
Фито-светильники и светильники для сельского хозяйства
Аварийно-эвакуационные светильники
Промышленные светильники
Торговое освещение
Архитектурное освещение
Бытовые и ЖКХ светильники
Взрывозащищенные светильники
Светильники для АЗС
Низковольтные светильники
Светильники для растений
Садово-парковые светильники
Светодиодные прожекторы
Опоры освещения
STL-62p
ФМ-0,159-1,5
Панель-автомат с БП
Опора граненая силовая МСО ФГ - 4 - 10
Опора граненая силовая МСО ФГ - 7 - 10
Закладная деталь ФМ 0,219-2,50 ø395 мц ø310 отв.6 ø27
Закладная деталь ФМ 0,273-2,50 ø495 мц ø420 отв.6 ø30
Кронштейн К1-2-2-9-1-00 d120 Ст3, патр.d48 L=300
Кронштейн К1-2-2-8-1-00 d140 Ст3, патр.d48 L=300
Кронштейн К9-2-2-9-1-00 d120 Ст3, патр.d48 L=300
Кронштейн К9-2-2-8-1-00 d140 Ст3, патр.d48 L=300
Светодиодные лампы
Комплектующие
Декоративные светильники
Решения
Главная
»
Каталог продукции
»
Светодиодные светильники
»
Опоры освещения
»
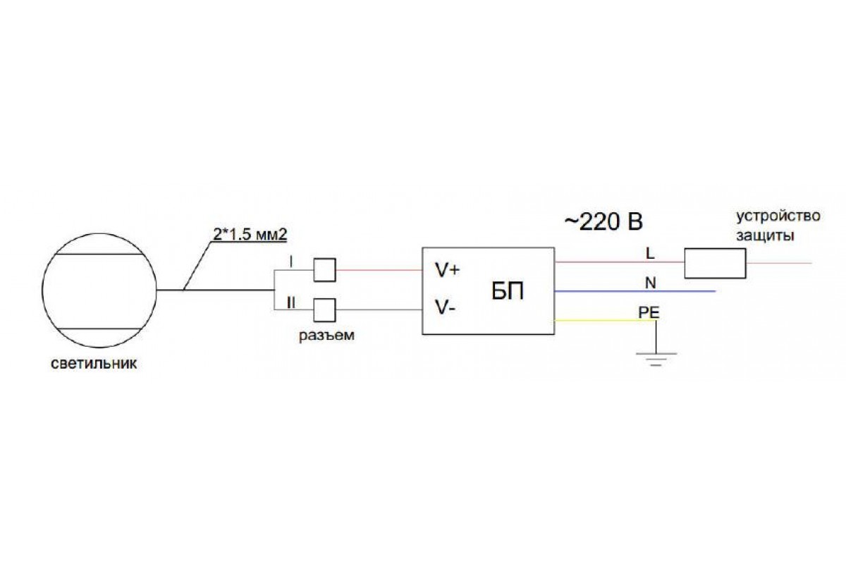
Панель-автомат с БП
Панель-автомат с БП
Цена:
3 900 руб.
Панель-автомат с БП
Мощность, Вт
30-150
Напряжение, В
110-270
Масса, кг
1
Вернуться к каталогу
Хиты продаж
СП-ДКУ-33-100-1126-67Х
L-trade II 45
ДТУ 04-40-50
CARAVELLA LED 49 W 2700K
Spider LOFT1162/6